第2回 特別講演「免疫グロブリン異常症」(16)


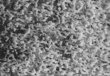
16.セパラックスの電顕写真

 実は、最初のセパラックスの特徴は電子顕微鏡で見ると穴の大きさがバラバラなのです。他の膜に比べてみましても。
 それで分離される血清蛋白が、M蛋白が非常に粘ちょうになると、だんだん電気泳動で細いバンドに集約されますから、後程申しますように蛋白が濃縮されれば濃縮されるはど、ベトベトになるので、膜の上で小さな穴の所にひっかかって、穴の大きな所だけ、先へちょっと進むので、ああいう波形帯を示すわけです。



      講演録に戻る